1. Về Tien Phong Co., Ltd
Tien Phong Co., Ltd là nhà phân phối hàng đầu về Quạt hút công nghiệp chính hãng các thương hiệu của Nhật, Đức, Đài Loan,….như Quạt SANYO DENKI, QUẠT NMB, QUẠT EBM PAPST, QUẠT MULTICOMP, QUẠT NIDEC….Cung cấp các loại quạt 1 pha đến 3 pha cho các hệ thống làm mát công nghiệp, các sản phẩm Cooling Fans, Motor, UPS chính hãng của các hãng nổi tiếng trên thế giới.
Chúng tôi cam kết đem lại cho Quý khách hàng sản phẩm tốt nhất với giá cả hợp lý, chính sách giá tốt cho đại lý, đơn vị thương mại và dịch vụ bảo hành bảo trì uy tín tận tình.
2. Thông số chi tiết quạt ly tâm EC EBMPAPST K3G310-PV69-03
| Điểm hoạt động tĩnh | Điện áp | Tần số | Dòng điện | Công suất | Tốc độ | Lưu lượng gió | Áp suất tĩnh |
| VAC | Hz | A | W | RPM | m³/h | Pa | |
| 1 | 400 | 50 | 3.44 | 2199 | 4000 | 6950 | 0 |
| 2 | 400 | 50 | 4.85 | 3165 | 1535 | 10330 | 739 |
| 3 | 400 | 50 | 4.72 | 3078 | 1550 | 7240 | 958 |
| 4 | 400 | 50 | 4.61 | 2993 | 4000 | 3005 | 1900 |
3. Tư vấn và hướng dẫn mua quạt
Mọi tư vấn và mua hàng Quý khách hàng vui lòng liên hệ theo địa chỉ:
Liên hệ mua hàng:
- Zalo/mobile: 0907.908.918
- Email: [email protected]
Tư vấn dự án:
- Zalo/WhatsApp/Mob: +84.906.742.736
- Email: [email protected]
- Địa chỉ: 437/33 Hoàng Văn Thụ, Phường Tân Sơn Nhất, TP.HCM, Việt Nam
Chúng tôi cam kết cung cấp đúng sản phẩm chính hãng với giá tốt nhất dành cho đại lý, các đơn vị thương mại. Và Lead Tech tự hào là đơn vị đã cung cấp uy tín cho các khách hàng lớn như: MOBIFONE, THÉP HÒA PHÁT, THÉP HOA SEN, NHÀ MÁY ĐIỆN – ĐẠM CÀ MAU, NHÀ MÁY KHÍ NAM CÔN SƠN – VŨNG TÀU v.v…
4. Review quạt
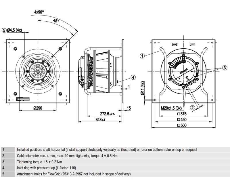
5. Hình ảnh của quạt ly tâm EC EBMPAPST K3G310-PV69-03
6. Ứng dụng của quạt
Quạt được ứng dụng trong các hệ thống FFU, BFU dùng để cấp khí sạch cho tủ điện, thiết bị đặc thù, trong các phòng sạch, buồng sạch, phòng kỹ thuật trong các nhà máy, bệnh viện,…
#K3G310-PV69-03; #K3G310PV6903; #quat-K3G310-PV69-03; #fan-K3G310-PV69-03; #ebmpapst-K3G310PV6903; #quat-ahu; #quat-hvac; #ahu-fan; #hvac-fan; #fan-for-ahu; #fan-for-hvac; #fan-for-ffu; #fan-for-bfu; #ahu-retrofit; #cai-tao-quat-ahu; #ebmpapst-K3G310-PV69-03;










